STOLNÍ DÁVKOVACÍ ROBOT NORDSON E2

Počet os 3 osy
Programování Teach Pendant
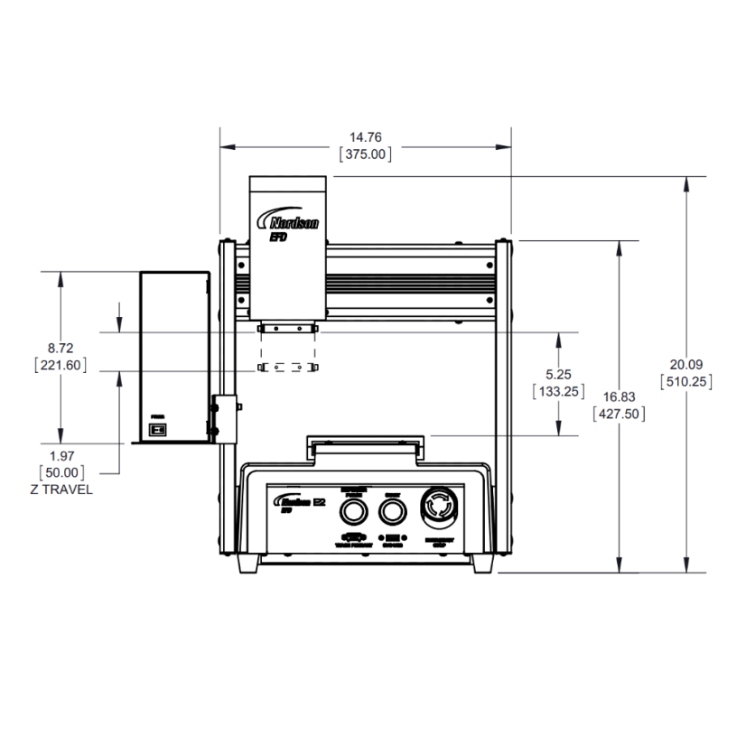
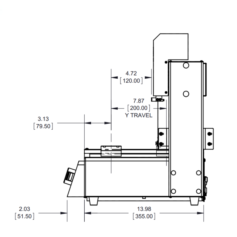
Maximální pracovní plocha (X/Y/Z) 200/200/50 mm
Nosnost obrobku 5 kg
Nosnost nástroje 3 kg
Rozměry 370š x 510v x 414h mm
Maximální rychlost 500/250 mm/s
Pohonný systém 3-phase micro stepping motor
Kapacita paměti 1-99 programs, 1-9.999 points per program
Externí vstupy/výstupy 8 vstupů / 8 výstupů
Opakovatelnost ±0.008 mm / osa
Váha (kg) 22 kg
%s ...
%s
%image %title %code %s
%s